16 Mar,2026
Gear lwn Vane lwn Piston: Pam Hidraulik Perindustrian Mana yang Menawarkan Kecekapan Terbaik?


Motor dengan tekanan tinggi, pemacu berkelajuan tinggi dan injap imbangan,
Ia direka untuk keadaan beban tinggi
Ia adalah penyelesaian yang ideal untuk jengkaut hidraulik 6 hingga 50 tan
Reka bentuk yang cekap dan padat
Teknologi tekanan tinggi meningkatkan kecekapan sistem hidraulik
Motor dua kelajuan dengan injap imbangan bersepadu dan injap pelepas tekanan
Motor menyepadukan fungsi brek hidraulik
Kelajuan boleh ditukar secara automatik atas permintaan
Suhu rendah, kecekapan tinggi
Julat suhu operasi: -20 ° C~80 ° C
Reka bentuk padat
Motor tekanan tinggi anjakan rendah memanjangkan hayat perkhidmatan komponen penting dan meningkatkan keseluruhannya
Ketahanan sistem
Pelapik semua tembaga untuk putaran pelocok hidraulik
Dulang pengedaran logam berganda (tembaga/keluli).
Gabungan putaran dengan sistem spring khas meningkatkan hayat motor
Sistem pengedap tiga kali ganda pengurang: pengedap labirin mekanikal, pengedap minyak jenis V, pengedap minyak utama.
Pengedap minyak utama boleh diganti tanpa membuka pengurang
Galas pengurang adalah komponen bebas, mudah dipasang, dan boleh dipratetap sepenuhnya untuk beban negatif
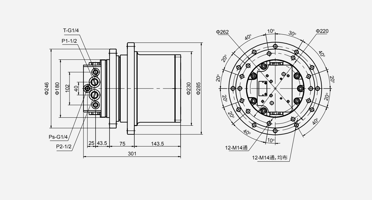
ITM01:
| Modal | (L/min) | (ML/r) | (Mpa) | (Mpa) | Nisbah gear | (N.m) | (r/min) | Putaran | (℃) | (mm2/s) |
| ITM01 | 20 | 6.31/12.56 | 25 | 2-7 | 36.96 | 1845 | 85.8/43 | dua hala | -20- 80 | 16-25 |
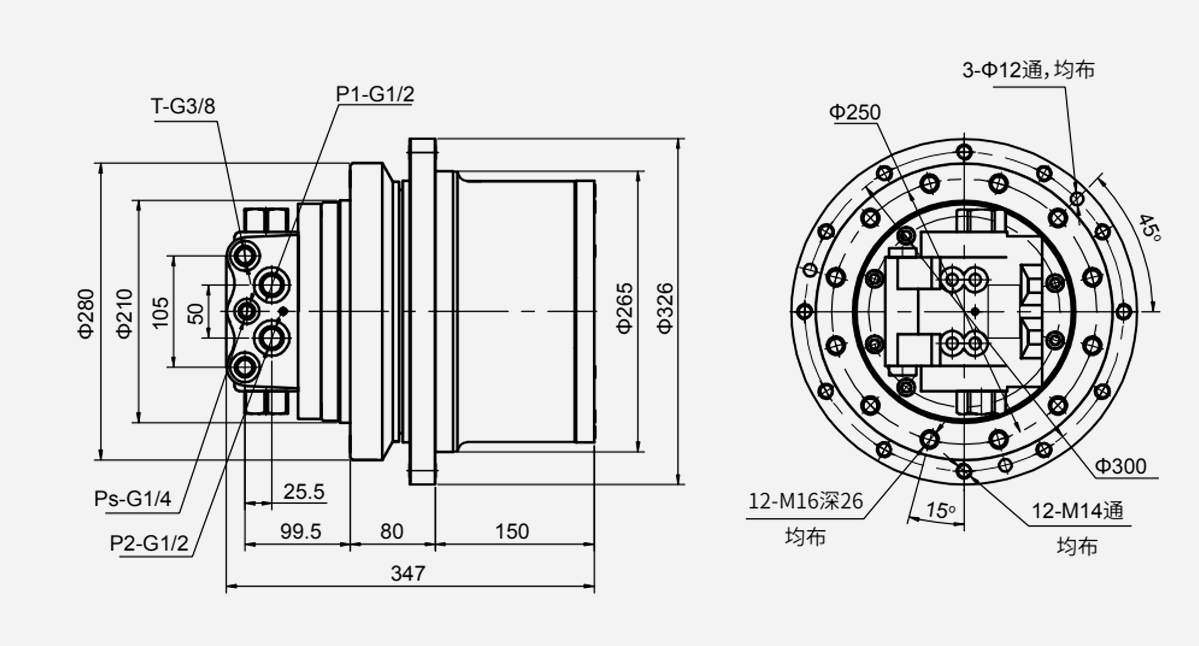
| Modal | (L/min) | (ML/r) | (Mpa) | (Mpa) | Nisbah gear | (N.m) | (r/min) | Putaran | (℃) | (mm2/s) |
| ITM03 | 40 | 18/12 | 21 | 2-7 | 45.2 | 2719 | 55/37 | dua hala | -20- 80 | 16-25 |
ITM04:
| Modal | (L/min) | (ML/r) Motor | (Mpa) | (Mpa) | Nisbah gear | (N.m) | (r/min) | Putaran | (℃) minyak | (mm2/s) |
| ITM04 | 40 | 14.3/23.6 | 21 | 2-7 | 52.7 | 4200 | 55/33 | dua hala | -20- 80 | 16-25 |
| Modal | (L/min) Aliran input | (ML/r) | (Mpa) | (Mpa) | Nisbah gear | (N.m) | (r/min) | Putaran | (℃) | (mm2/s) |
| ITM06 | 50 | 19/34 | 24.5 | 2-7 | 47.53 | 6300 | 55/30 | dua hala | -20- 80 | 16-25 |
| Modal | (L/min) Aliran input | (ML/r) | (Mpa) Tekanan Kerja | (Mpa) | Nisbah gear | (N.m) | (r/min) | Putaran | (℃)minyak | (mm2/s) |
| ITM07 | 50 | 22/44 | 27.5 | 2-7 | 53.706 | 10500 | 50/25 | dua hala | -20- 80 | 16-25 |
ITM09:
| Modal | (L/min) | (ML/r) | (Mpa) | (Mpa) | Nisbah gear | (N.m) | (r/min) | Putaran | (℃) | (mm2/s) |
| ITM09 | 80 | 34/53 | 30 | 2-7 | 53.7 | 11500 | 51/33 | dua hala | -20- 80 | 16-25 |
| Modal | (L/min) | (ML/r) | (Mpa) | (Mpa) | Nisbah gear | (N.m) | (r/min) | Putaran | (℃) | (mm2/s) |
| ITM10 | 80 | 38/65 | 25 | 2-7 | 53.7 | 13000 | 51/33 | dua hala | -20- 80 | 16-25 |
| Modal | (L/min) | (ML/r) | (Mpa) | (Mpa) | Nisbah gear | (N.m) | (r/min) | Putaran | (℃) | (mm2/s) |
| ITM18 | 130 | 43/67 | 30 | 2-7 | 53 | 16900 | 57/37 | dua hala | -20- 80 | 16-25 |
| Modal | (L/min) | (ML/r) | (Mpa) | (Mpa) | Nisbah gear | (N.m) | (r/min) | Putaran | (℃) | (mm2/s) | Berkenaan model |
| ITM22 | 130 | 48/81 | 34.3 | 2-7 | 53.7 | 23700 | 50/30 | dua hala | -20- 80 | 16-25 | 13-17 |
| Modal | (L/min) | (ML/r) | (Mpa) | (Mpa) | Nisbah gear | (N.m) | (r/min) Teori | Putaran | (℃) | (mm2/s) |
| ITM40 | 230 | 99/147 | 34.3 | 2-7 | 50.5 | 40546 | 50/32 | dua hala | -20- 80 | 16-25 |
| Modal | (L/min) | (ML/r) | (Mpa) | (Mpa) | Nisbah gear | (N.m) | (r/min) | Putaran | (℃) | (mm2/s) |
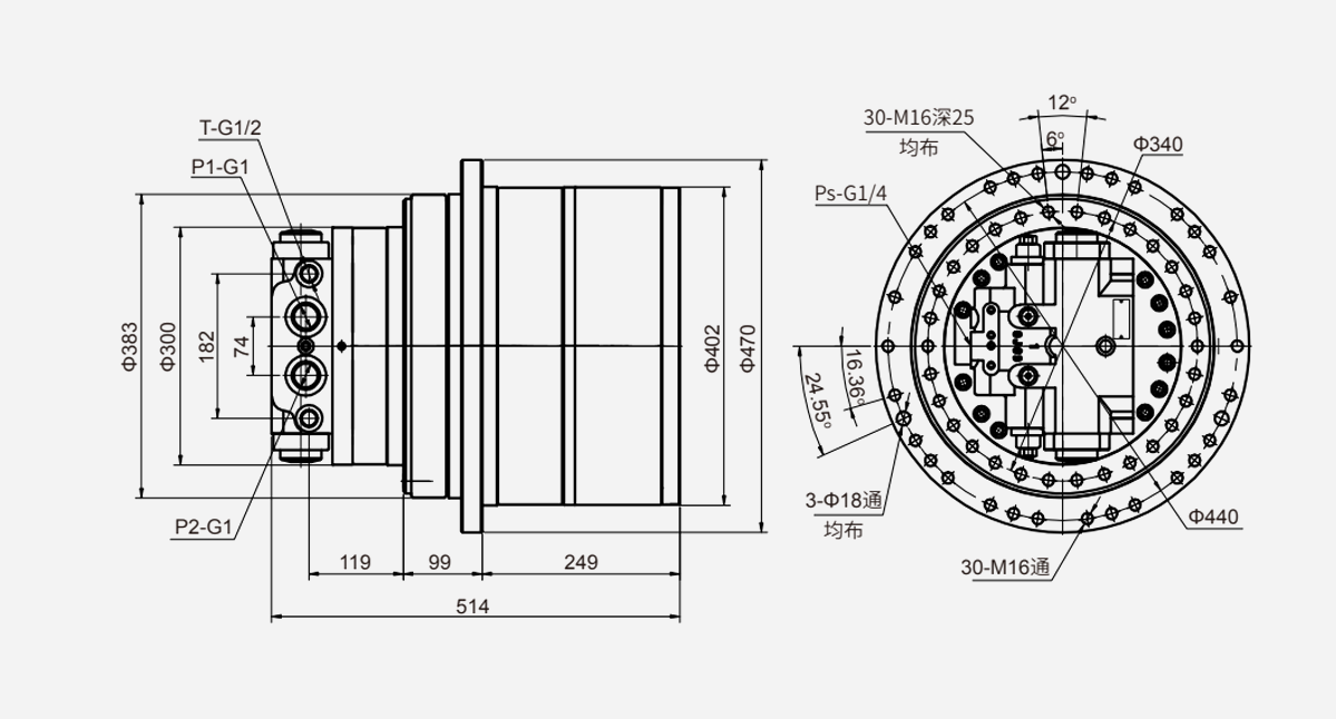
| ITM60 | 330 | 195/120 | 34.3 | 2-7 | 63.84 | 67000 | 40/26 | dua hala | -20- 80 | 16-25 |
Produk yang disediakan oleh perusahaan terkenal amat dipercayai oleh pengguna.
Pengalaman Industri Tahun
Kawasan Kilang
Pekerja Berkemahiran
Barisan Pengeluaran Termaju
INI Hydraulic Co., Ltd. telah khusus dalam merancang dan memproduksi sayap hidraulik, motor hidraulik dan peti gerbang planet selama lebih dari 20 tahun. Kami salah satu penyedia aksesori mesin konstruksi profesional di Asia. Bersuai untuk optimumkan rancangan peralatan bijak pelanggan adalah cara kita untuk tetap hidup dengan kuat di pasar. Selama 26 tahun, didorong oleh komitmen untuk sentiasa inovasi untuk memenuhi keperluan pelanggan, kami telah mengembangkan julat luas garis produk berdasarkan teknologi kami yang berkembang sendiri. Spektrum luas produk, setiap yang berkorelasi secara intim, mengandungi sayap hidraulik dan elektrik, peti gerbang planet, pemacu pembunuhan, pemacu transmisi, motor hidraulik, pompa dan sistem hidraulik.
Kebolehpercayaan produk kami telah terbukti dengan kukuh dalam pelbagai aplikasi, termasuk tidak mengehadkan jentera perindustrian, jentera pembinaan, jentera kapal & geladak, peralatan luar pesisir, perlombongan dan jentera metalurgi.
Selain itu, kualiti produk kami telah diluluskan oleh beberapa badan sijil terkenal di seluruh dunia. Pensijilan, yang produk kami telah perolehi, termasuk Sijil Peperiksaan Jenis EC, MOD BV, Sijil DNV GL, Perakuan Pematuhan EC, Sijil Kelulusan Jenis untuk Produk Marin dan Jaminan Kualiti Daftar Lloyd. Setakat ini, selain China, pasaran domestik kami, kami telah mengeksport secara meluas produk kami ke Amerika Syarikat, Jerman, Belanda, Australia, Rusia, Turki, Singapura, Jepun, Korea Selatan, Malaysia, Vietnam, India dan Iran. Perkhidmatan logistik dan selepas jualan kami meliputi seluruh dunia dengan segera dan boleh dipercayai untuk kepentingan mendalam pelanggan kami.
16 Mar,2026
09 Mar,2026
02 Mar,2026
23 Feb,2026
16 Feb,2026
TOP