16 Mar,2026
Gear lwn Vane lwn Piston: Pam Hidraulik Perindustrian Mana yang Menawarkan Kecekapan Terbaik?




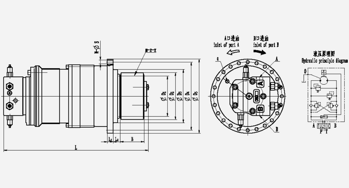
Pemacu slewing hidraulik siri IYH dibangunkan sendiri dengan hak harta intelek bebas. Ia terutamanya terdiri daripada motor hidraulik, brek hidraulik berbilang cakera, kotak gear planet Ctype dan pengedar. motor hidraulik boleh
| Kod Siri | Tork yang dinilai | Kelajuan Dinilai | Jumlah anjakan | Tekanan kerja | Aliran minyak bekalan (MPa) | Model Kotak Gear | Parameter gear | Dimensi keseluruhan dan spesifikasi pelabuhan minyak | ||||||||||||||||||
| M | Z | X | D0 | D1 | D2 | D3 | D4 | D5 | D6 | L1 | L2 | L3 | L4 | L5 | L | N | S | A, B | 0 | |||||||
| IYB22-A | 1500~3000 | 0-12 | 2857.5 | 6~11 | 40 | C22(i=22.86) | 6 | 13 | 0.5 | - | 78 | 96 | - | 65 | 200 | 188 | 16 | 50 | 70 | - | - | 476 | 12 | 13 | G3/4' | G1/2' |
| IYE22-B | 1500~3000 | 0-12 | 2857.5 | 6~11 | 40 | C22(i=22.80 | 8 | 11 | 0.5 | - | 88 | 10 | 130 | - | 200 | 188 | 16 | 50 | 88 | - | - | 506 | 12 | 13 | G3/4' | G1/2' |
| ITR22-C | 1500~3000 | 0~12 | 2857.5 | 6~11 | 40 | C22(i=22.86) | 8 | 12 | 0.5 | - | 96 | 118 | 130 | 65 | 200 | 188 | 16 | 50 | 61 | - | - | 467 | 12 | 13 | G3/4' | G1/2' |
| IYB22-D | 1500-3000 | 0-12 | 2857.5 | 6-11 | 40 | C22(i=22.86 | 8 | 13 | 0.5 | - | 104 | 26 | 30 | 165 | 200 | 88 | 16 | 50 | 70 | - | - | 476 | 12 | 13 | G3/4' | G1/2' |
| IYE22-B | 3500~5000 | 0~14 | 2683 | 10~14 | 44 | C22(i=26.83) | 6 | 17 | 0.5 | 50 | 102 | 119 | 150 | 190 | 220 | 185 | 16 | 43.5 | 60 | 19 | 18 | 488 | 8 | 14.5 | G3/4' | G1/2' |
| IYE21-D | 3500~5000 | 0-14 | 2683 | 10~14 | 44 | C22(i=26.83) | 8 | 1 | 0.5 | 50 | 881 | 110 | 150 | 190 | 220 | 185 | 16 | - | - | 19 | 18 | 500 | 8 | 14.5 | G3/4' | G1/2' |
| IYE22-C | 3500~5000 | 0~14 | 2683 | 10-14 | 44 | C22(i=26.83) | 8 | 13 | 0.5 | 50 | 104 | 26 | 150 | 190 | 220 | 185 | 16 | 43.5 | 80 | 19 | 18 | 508 | 8 | 14.5 | G3/4' | G1/2' |
| IYB22-O | 3500~5000 | 0-14 | 2683 | 10-14 | 44 | C22(i=26.83) | 10 | 11 | 0.5 | 50 | 110 | 40 | 50 | 90 | 220 | 85 | 16 | 43.5 | 80 | 19 | 8 | 50B | 8 | 4.5 | G3/4' | G1/2' |
| IYE33-A | 4000~6600 | 0-20 | 2325~3726 | 13~16 | 88 | C33(i=18.6) | 8 | 11 | 0.5 | - | 88 | 12 | 70 | 22 | 245 | 224 | 20 | 70 | 90 | - | - | 605 | 20 | 12.5 | G3/4' | G1/2' |
| IYE33-B | 4000~6600 | 0-20 | 2325~3726 | 13~16 | 88 | C33(i=18.6) | 8 | 5 | 0.5 | - | 120 | 44 | 170 | 22 | 245 | 224 | 20 | 70 | 90 | - | - | 605 | 20 | 12.5 | G3/4' | G1/2' |
| IYE33C | 4000~6600 | 0~20 | 2325~3726 | 13~16 | 88 | c33(i=18.6) | 10 | 12 | 0.5 | - | 120 | 149 | 70 | 22 | 245 | 224 | 20 | 70 | 90 | - | - | 605 | 20 | 12.5 | G3/4' | G1/2 |
| IYE33-D | 4000~6600 | 0-20 | 2325-3726 | 13~16 | 88 | C33(i=18.6) | 10 | 13 | 0.5 | - | 130 | 159 | 70 | 22 | 245 | 224 | 20 | 70 | 90 | - | - | 605 | 20 | 12.5 | G3/4' | G1/2' |
| IYE33-E | 7000~12000 | 0~12 | 5296~6620 | 12~16 | 92 | C33(i=33.1) | 10 | 13 | 0.5 | - | 130 | 60 | 200 | 250 | 280 | 280 | 20 | 41 | 90 | - | - | 655 | 24 | 3.5 | G3/4' | G1/2' |
| IYE33-F | 000-12000 | 0-12 | 5296~6620 | 12~16 | 92 | C33(i=33.1) | 10 | 15 | 0.5 | - | 150 | 180 | 200 | 250 | 280 | 280 | 20 | 41 | 100 | - | - | 655 | 24 | 13.5 | G3/4' | G1/2' |
| IYH33-G | 7000~12000 | 0-12 | 5296-6620 | 12-16 | 92 | C33(i=33.1) | 12 | 13 | 0.5 | - | 156 | 192 | 200 | 250 | 280 | 280 | 20 | 41 | 100 | - | - | 665 | 24 | 13.5 | G3/4' | G1/2' |
| Kod Siri | Tork yang dinilai | Kelajuan Dinilai | Jumlah anjakan | Tekanan kerja (Mpe) | Aliran minyak bekalan (MPa) | Model Kotak Gear(Nisbah) | Parameter gear | Dimensi keseluruhan dan spesifikasi pelabuhan minyak | ||||||||||||||||||
| M | Z | X | D0 | D1 | D2 | D3 | D4 | D5 | D6 | L1 | L2 | L3 | L4 | L5 | L | N | S | A, B | 0 | |||||||
| ITH22-I | 3500~5000 | 0~14 | 2683 | 10~14 | 44 | C22(i=26.83 | 6 | 13 | 0.5 | - | 78 | 96 | - | 65 | 200 | 188 | 16 | 5D | 70 | - | - | 476 | 12 | 13 | G3/4' | G1/2' |
| ITB22-J | 3500~5000 | D~14 | 2683 | 10-14 | 44 | C22(i=26.83 | 8 | 11 | 0.5 | - | 88 | 10 | 130 | - | 200 | 188 | 16 | 50 | 88 | - | - | 506 | 12 | 13 | G3/4' | G1/2' |
| IYB22-K | 3500~5000 | 0~14 | 2683 | 10~14 | 44 | C22(i=26.83) | 8 | 12 | 0.5 | - | 96 | 118 | 130 | 65 | 200 | 188 | 16 | 50 | 61 | - | - | 467 | 12 | 13 | G3/4' | G1/2' |
| Kod Siri | Tork yang dinilai (N.m) | Kelajuan Dinilai | Jumlah anjakan | Tekanan kerja (Mpe) | Aliran minyak bekalan (MPa) | Parameter gear | Dimensi keseluruhan dan spesifikasi pelabuhan minyak | ||||||||||||||
| M | Z | X | B | D1 | D2 | D3 | D4 | D5 | L1 | L2 | L | N | S | A.B | 0 | ||||||
| ITM2.5-A | 800-2000 | 0~120 | 430~1057 | 16 | 5/5.5/7 | 5 | 17 | 0.5 | 70 | 85 | 99.5 | 180 | 230 | 250 | 20 | 24 | 478 | 24 | 11 | M22*1.5 | G1/4 |
| ITH2.5-B | 800~2000 | 0-120 | 430-1057 | 16 | 5/5.5/7 | 6 | 17 | 0.5 | 60 | 102 | 118.8 | 180 | 230 | 250 | 20 | 24 | 468 | 24 | 11 | M22*1.5 | G1/4' |
| IYH2.5-C | 800-2000 | 0-120 | 430-1057 | 16 | 5/5.5/7 | 8 | 17 | 0.5 | 54 | 136 | 159.04 | 180 | 230 | 250 | 20 | 24 | 462 | 24 | 11 | M22*1.5 | G1/4 |
| IT12.5-D | 800~2000 | 0-120 | 430~1057 | 16 | 5/5.5/7 | 12 | 13 | 0.5 | 8D | 156 | 191.64 | 180 | 230 | 250 | 20 | 24 | 488 | 24 | 11 | M22*1.5 | G1/4' |
| IYH2.53-A | 3000-6500 | 0-32.5 | 1720-3320 | 16 | 20/28 |
| 17 | 0.5 | 60 | 102 | 118.8 | 250 | 290 | 320 | 20 | 75 | 565 | 16 | 17 | M22*1.5 | G1/4' |
| ITH2.53-B | 3000~6500 | 0~32.5 | 1720~3320 | 16 | 20/28 |
| 15 | 0.63 | 80 | 120 | 45.63 | 250 | 290 | 320 | 20 | 75 | 585 | 16 | 17 | M22*1.5 | G1/4' |
| ITH2.53-C | 3000~6500 | 0~32.5 | 1720-3320 | 16 | 20/28 | 10 | 13 | 0.5 | 85 | 130 | 160 | 250 | 290 | 320 | 20 | 15 | 590 | 16 | 17 | M22*1.5 | G1/4' |
| IYH3-A | 2600~5316 | 0-100 | 1344~2711.5 | 16 | 5/5.5/7 | 6 | 17 | 0.5 | 60 | 102 | 118.8 | 235 | 252 | 270 | 38 | 90.5 | 483 | 24 | 10.5 | M22*1.5 | G1/2' |
| IYH3-B | 2620~5316 | 0~100 | 1344~2711.5 | 16 | 5/5.5/7 |
| 15 | 0.5 | 60 | 120 | 143.24 | 235 | 252 | 270 | 38 | 90.5 | 483 | 24 | 10.5 | M22*1.5 | G1/2' |
| IYH3-C | 2600-5316 | 0-190 | 1344-2711.5 | 16 | 5/5.5/7 | 10 | 12 | 0.63 | 80 | 120 | 149 | 235 | 252 | 270 | 38 | 905 | 503 | 24 | 10.5 | M22*1.5 | G1/2' |
| IYH3-D | 2690~5316 | 0~100 | 1344~2711.5 | 16 | 5/5.5/7 | 12 | 15 | 0.65 | 90 | 180 | 416.39 | 235 | 252 | 270 | 38 | 90.5 | 513 | 24 | 10.5 | M22*1.5 | G1/2' |
| IYH4-A | 4873-10886 | 0~90 | 2430-5428.5 | 16 | 5/5.5/7 | 10 | 17 | 0.6 | 85 | 170 | 200.64 | 330 | 370 | 400 | 24.5 | 123 | 625 | 24 | 17 | M33*2 | G1/2' |
| IYH4-B | 4873-10886 | 0-90 | 2430~5428.5 | 16 | 5/5.5/7 | 12 | 13 | 0.5 | 100 | 156 | 191.5 | 330 | 370 | 400 | 24.5 | 123 | 640 | 24 | 11 | M33*2 | G1/2' |
| IYH4-C | 4873~10886 | 0~90 | 2430~5428.5 | 16 | 5/5.5/7 | 14 | 15 | 0.5 | 100 | 210 | 250.58 | 330 | 370 | 400 | 24.5 | 123 | 640 | 24 | 17 | M33*2 | G1/2' |
| IYH4-D | 4873-10386 | 0-90 | 2430-5428.5 | 16 | 5/5.5/7 | 16 | 12 | 0.5 | 100 | 192 | 238.4 | 330 | 370 | 400 | 24.5 | 123 | 640 | 24 | 17 | M33*2 | G1/2' |
| IYH5-A | 13195-22136 | 0-40 | 6580-11038.5 | 16 | 5/5.5/7 | 12 | 18 | 0.564 | 85 | 216 | 252.03 | 400 | 432 | 460 | 22 | 179 | 979 | 24 | 17 | φ50 | G1/2' |
| IYH5-B | 13195~22136 | 0~40 | 6580~11038.5 | 16 | 5/5.5/7 | 14 | 15 | 0.5 | 100 | 210 | 250.50 | 400 | 432 | 460 | 22 | 179 | 994 | 24 | 17 | φ50 | G1/2' |
| IYH5-C | 13195~22136 | 0~40 | 6580~11038,5 | 16 | 5/5.5/7 | 16 | 12 | 0.5 | 100 | 192 | 237.92 | 400 | 432 | 460 | 22 | 179 | 994 | 24 | 17 | φ50 | G1/2' |
| IYH6-A | 25197~33540 | 0-35 | 12565-16725.5 | 16 | 5/5.5/7 | 16 | 17 | 0.5 | 150 | 272 | 320 | 495 | 525 | 565 | 35 | 235 | 1215 | 24 | 21 | φ50 | G1/2' |
| IYH6-B | 25197-33540 | 0-35 | 12565-16725.5 | 16 | 5/5.5/7 | 20 | 15 | 0.5 | 160 | 300 | 359.6 | 495 | 525 | 565 | 35 | 235 | 1225 | 24 | 21 | φ50 | G1/2' |
| IYH34-A | 12000~18000 | 0-5.5 | 6622-11165 | 16 | 38.5 | 12 | 12 | 0.5 | 100 | 144 | 180 | 330 | 370 | 400 | 40 | 125.5 | 663 | 24 | 17 | M33*2 | G1/4' |
| IYH34-B | 12000-18000 | 0-5.5 | 6622-1116 | 16 | 38.5 | 14 | 14 | 0.5 | 100 | 196 | 236.6 | 330 | 370 | 400 | 40 | 125.5 | 663 | 24 | 17 | M33*2 | G1/4' |
| IYH45-A | 13000~25000 | 0-22 | 7028~13804 | 16 | 28 | 12 | 14 | 0.5 | 90 | 168 | 202.8 | 426 | 455 | 490 | 25 | 94 | 770 | 32 | 21 | M33*2 | G1/2' |
| IYH45-B | 13000-25000 | 0-22 | 7028-13804 | 16 | 28 | 14 | 15 | 0.5 | 100 | 210 | 250.58 | 426 | 455 | 490 | 25 | 94 | 780 | 32 | 21 | M33*2 | G1/2' |
| IYH45-C | 13000~25000 | 0-22 | 7028-13804 | 16 | 28 | 16 | 12 | 0,5 | 100 | 192 | 237.92 | 426 | 455 | 490 | 25 | 94 | 780 | 32 | 21 | M33*2 | G1/2' |
| IYH56-A | 32740~61406 | 0~11 | 16660-31248 | 16 | 28 | 16 | 17 | 0.5 | 150 | 272 | 320 | 510 | 545 | 580 | 30 | 351 | 995 | 30 | 21 | M33*2 | G1/2' |
| IYH56-B | 32740-61406 | 0-11 | 16660-31248 | 16 | 28 | 18 | 14 | 0.5 | 180 | 252 | 306.18 | 510 | 545 | 580 | 30 | 351 | 1025 | 30 | 21 | M33*2 | G1/2' |
| IYH56-C | 32740~61406 | 0-11 | 16660~31248 | 16 | 28 | 20 | 14 | 0.4 | 194 | 280 | 329.48 | 510 | 545 | 580 | 30 | 351 | 1039 | 30 | 21 | M33*2 | G1/2' |
| IYH67-A | 63000-90000 | 0-8 | 33180-45752 | 16 | 28 | 22 | 14 | 0.5 | 200 | 308 | 374 | 605 | 650 | 700 | 36 | 235 | 465 | 36 | 25 | M33*2 | G1/2' |
| IYH67-B | 63080~90000 | 0-8 | 33180~45752 | 16 | 28 | 20 | 13 | 0.5 | 180 | 260 | 320 | 605 | 650 | 700 | 36 | 235 | 445 | 36 | 25 | M33*2 | G1/2' |
| IYH67-C | 63000~90000 | 0-8 | 33180~45152 | 16 | 28 | 18 | 17 | 0.5 | 140 | 306 | 360 | 605 | 650 | 100 | 36 | 235 | 1405 | 36 | 25 | M33*2 | G1/2' |
| IYH67-D | 63000-9000 | 0-8 | 33180~45752 | 16 | 28 | 16 | 15 | 0.5 | 125 | 240 | 281.5 | 605 | 650 | 700 | 36 | 235 | 1390 | 36 | 25 | M33*2 | G1/2' |
| IYH67-E | 63000~90000 | 0-8 | 33180~45752 | 16 | 28 | 40 | 12 | 0.63 | 169 | 480 | 529.6 | 605 | 650 | 700 | 36 | 235 | 385 | 36 | 25 | M33*2 | G1/2' |
| IYH79-A | 110000~160000 | 0~10 | 55285~85148 | 16 | 22/28 | 22 | 14 | 0.5 | 200 | 308 | 374 | 760 | 810 | 850 | 40 | 449.5 | 157 | 36 | 25 | φ50 | G1/2' |
| IYH79-B | 110000~160000 | 0-10 | 55286~85148 | 16 | 22/28 | 20 | 13 | 0.5 | 180 | 260 | 320 | 760 | 10 | 850 | 40 | 449.5 | 155 | 36 | 25 | φ50 | G1/2' |
| IYH79-C | 110000~160000 | 0-10 | 55286-85148 | 16 | 22/28 | 18 | 17 | 0.5 | 140 | 306 | 360 | 760 | 810 | 850 | 40 | 449.5 | 1511 | 36 | 25 | φ50 | G1/2' |
| IYH79-D | 110000~160000 | 0-10 | 55286~85148 | 16 | 22/28 | 40 | 12 | 0.63 | 160 | 480 | 529.6 | 760 | 810 | 850 | 40 | 449.5 | 531 | 36 | 25 | φ50 | G1/2' |
Produk yang disediakan oleh perusahaan terkenal amat dipercayai oleh pengguna.
Pengalaman Industri Tahun
Kawasan Kilang
Pekerja Berkemahiran
Barisan Pengeluaran Termaju
INI Hydraulic Co., Ltd. telah khusus dalam merancang dan memproduksi sayap hidraulik, motor hidraulik dan peti gerbang planet selama lebih dari 20 tahun. Kami salah satu penyedia aksesori mesin konstruksi profesional di Asia. Bersuai untuk optimumkan rancangan peralatan bijak pelanggan adalah cara kita untuk tetap hidup dengan kuat di pasar. Selama 26 tahun, didorong oleh komitmen untuk sentiasa inovasi untuk memenuhi keperluan pelanggan, kami telah mengembangkan julat luas garis produk berdasarkan teknologi kami yang berkembang sendiri. Spektrum luas produk, setiap yang berkorelasi secara intim, mengandungi sayap hidraulik dan elektrik, peti gerbang planet, pemacu pembunuhan, pemacu transmisi, motor hidraulik, pompa dan sistem hidraulik.
Kebolehpercayaan produk kami telah terbukti dengan kukuh dalam pelbagai aplikasi, termasuk tidak mengehadkan jentera perindustrian, jentera pembinaan, jentera kapal & geladak, peralatan luar pesisir, perlombongan dan jentera metalurgi.
Selain itu, kualiti produk kami telah diluluskan oleh beberapa badan sijil terkenal di seluruh dunia. Pensijilan, yang produk kami telah perolehi, termasuk Sijil Peperiksaan Jenis EC, MOD BV, Sijil DNV GL, Perakuan Pematuhan EC, Sijil Kelulusan Jenis untuk Produk Marin dan Jaminan Kualiti Daftar Lloyd. Setakat ini, selain China, pasaran domestik kami, kami telah mengeksport secara meluas produk kami ke Amerika Syarikat, Jerman, Belanda, Australia, Rusia, Turki, Singapura, Jepun, Korea Selatan, Malaysia, Vietnam, India dan Iran. Perkhidmatan logistik dan selepas jualan kami meliputi seluruh dunia dengan segera dan boleh dipercayai untuk kepentingan mendalam pelanggan kami.
16 Mar,2026
09 Mar,2026
02 Mar,2026
23 Feb,2026
16 Feb,2026
TOP